viernes, 13 de enero de 2017
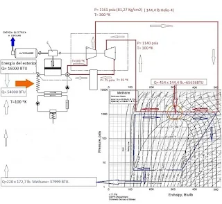
Refrigeración superconductores de alta temperatura (100 K).En este nuevo dibujo se puede ver como se cierra el ciclo del motor criogénico,utilizando un ciclo de gas Metano que nos permite trabajar a bajas temperaturas realizando su trabajo como si fuera un ciclo Rankine con recalentamiento del gas por encima de su temperatura crítica (190,4 K) (fluido supercrítico). Con este sistema sería posible enfriar un superconductor de alta temperatura utilizando Nitrógeno líquido.Incluso nos podemos acercar a los 80K para poder refrigerar superconductores de baja temperatura (77 K). No solo sería posible refrigerar, sino que además, obtendríamos trabajo de eje en lugar de tener que aportarlo para enviar la energía térmica al exterior (alrededores). El Metano se puede sustituir por otro gas como el Argón, aunque este gas tiene el inconveniente de su baja densidad, entre otros, no muy difíciles de salvar
Suscribirse a:
Enviar comentarios (Atom)

No hay comentarios:
Publicar un comentario